Double suspension for drilled steel pole or Vang configuration steel pole.
e990f6cb2c5c415792cae837c8a72223
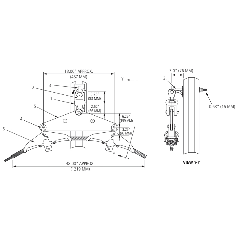
181 AFLglobal.com 1 (800) 890-8878 © 2008, AFL, all rights reserved. PP-3-00039, Revision 4, 3.5.2025 Specications are subject to change w ithout notice. 181 Fiber Optic Cable Accessories continued OPGW Double Suspension Steel Pole/Drilled Configuration Assembly Bill of Material Item Description Material AFL or Dwg. No. Req’d Remarks 1 Shield Wire Support Bracket Galvanized Steel SFOSB-WP-14 1 14" Bolt, 0.63" (16 mm) Dia. 2 Y-Clevis Clevis 90º Galvanized Steel YCC-90 1 Pin Dia. = 0.75" (19 mm) 3 Clevis Eye Galvanized Steel CE-SC 2 4 Yoke Plate Galvanized Steel SUMEYP 1 5 Double Suspension (incl.) Aluminum ODSME XXX/XXX 1 Bill of Material Item Description Material AFL or Dwg. No. Req’d Remarks 1 Socket Clevis Galvanized Steel SC-YP 1 2 Y-Clevis Ball Galvanized Steel YCBS 1 Pin Dia. = 0.75" (19 mm) 3 Shield Wire Support Bracket Galvanized Steel SFOSB-WP-14 1 14" Bolt, 0.63" (16 mm) Dia. 4 Clevis Eye Galvanized Steel CE-SC 2 5 Yoke Plate Galvanized Steel SUMEYP 1 6 Double Suspension (incl.) Aluminum ODSME XXX/XXX 1 Assembly Code OSPSS1 - AFL NO. XXX/XXX SUME Range Code 2 1 5 3 18.00" APPROX. (457 MM) 3 4 6 48.00" APPROX. (1219 MM) 3.25" (83 MM) 3.25" (83 MM) 3.0" (76 MM) 2.62" (66 MM) 6.25" (159 MM) VIEW Y-Y Y Y 0.63" (16 MM) Assembly Code OSPSS2 - AFL NO. XXX/XXX SUME Range Code 2 1 1 5 18.00" APPROX. (457 MM) 3 4 48.00" APPROX. (1219 MM) 3.25" (83 MM) 3.25" (83 MM) 3.0" (76 MM) 6.25" (159 MM) VIEW Y-Y Y Y 0.63" (16 MM)
182 AFLglobal.com 1 (800) 890-8878 © 2008, AFL, all rights reserved. PP-3-00039, Revision 4, 3.5.2025 Specications are subject to change w ithout notice. 182 Fiber Optic Cable Accessories Bill of Material Item Description Material AFL or Dwg. No. Req’d Remarks 1 Y-Clevis Clevis Galvanized Steel YCC 1 Pin Dia. = 0.75" (19 mm) 2 Clevis Eye Galvanized Steel CE-SC 2 3 Yoke Plate Galvanized Steel SUMEYP 1 4 Double Suspension (incl.) Aluminum ODSME XXX/XXX 1 Assembly Code OSPSS5 - AFL NO. XXX/XXX SUME Range Code OPGW Double Suspension Steel Pole/Vang Configuration Assembly Bill of Material Item Description Material AFL or Dwg. No. Req’d Remarks 1 Y-Clevis Clevis 90º Galvanized Steel YCC-90 1 Pin Dia. = 0.75" (19 mm) 2 Clevis Eye Galvanized Steel CE-SC 2 3 Yoke Plate Galvanized Steel SUMEYP 1 4 Double Suspension (incl.) Aluminum ODSME XXX/XXX 1 Assembly Code OSPSS4 - AFL NO. XXX/XXX SUME Range Code 2 1 4 3 18.0" APPROX. (457 MM) 3.25" (83 MM) VIEW Y-Y Y Y 6.25" (159 MM) 48.0" APPROX. (1219 MM) 2 1 4 3 18.0" APPROX. (457 MM) VIEW Y-Y Y Y 48.0" APPROX. (1219 MM)
Applications:
- Steel pole
Formed Wire Dead End for ADSS Cable,ADSS Wedge Dead End,ADSS Mini-Dead Ends,ADSS Trunnion Assemblies,FDCT Series Flat Drop Cable Tangent/Downlead,RDCT Series Round Drop TangentDownlead,ADSS Suspension Unit,ADSS Temporary Grip,AFL FIT Formed Wire Installation Tool,AGC Series ADSS Downlead Clamp,AVD Series Spiral Vibration Dampers,Corona Ring for ADSS Cable,Downlead Clamp for ADSS,Fiber Storage Units for ADSS Fiber Optic Cable,Formed Wire Suspension for ADSS Cable
801